evo真人视讯
中国科研实验室
Engilsh
邮箱登录
ARP系统登录
高研院VPN
evo真人视讯
组织概况
组织简介
院长致辞
现任领导
历任领导
组织设置
学术委员会
学位评定委员会
新闻动态
头条新闻
综合新闻
科技动态
传媒视角
通知公告
高研之光
科技动态
科技进展
学术活动
科普之窗
科研成果
论文
专著
专利
获奖
人才招聘
研究生教育
党建与文化
信息公开
信息公开规定
信息公开指南
信息公开目录
依申请公开
信息公开年度报告
信息公开联系方式
evo真人视讯
组织概况
组织简介
院长致辞
现任领导
历任领导
组织设置
学术委员会
学位评定委员会
新闻动态
头条新闻
综合新闻
科技动态
传媒视角
通知公告
高研之光
科技动态
科技进展
学术活动
科普之窗
科研成果
论文
专著
专利
获奖
人才招聘
研究生教育
党建与文化
信息公开
信息公开规定
信息公开指南
信息公开目录
依申请公开
公民申请表
法人/其他组织申请表
信息公开年度报告
信息公开联系方式
中国科研实验室
Engilsh
邮箱登录
ARP系统登录
高研院VPN
科技进展
您当前的位置:evo真人视讯
科技动态
科技进展
碳化硅微通道反应器模拟应用研究进展
2025年7月15日,由中国科研实验室上海高等研究院(以下简称“evo真人视讯”)和中国科研实验室上海硅酸盐研究所共同研究的"碳化硅微通道反应器模拟考核"项目在中国科研实验室上海高等研究院顺利顺利获得测试考核评估。测试考核评估专家组由来自壳牌(上海)技术有限公司、中石化上海工程公司、中国科...
2025-07-24
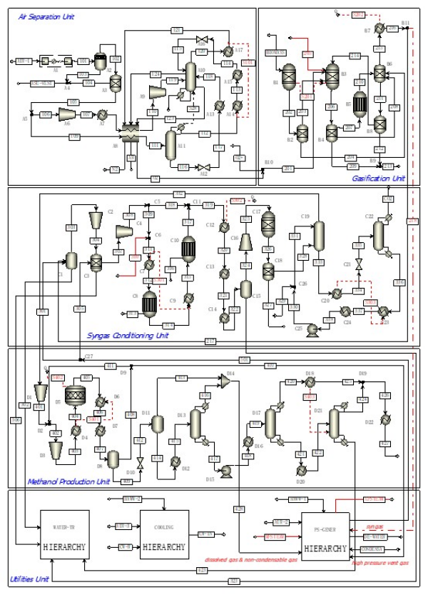
evo真人视讯绿色甲醇燃料系统集成与综合评估研究取得进展
受到脱碳政策、可再生能源消纳压力、以及产品“绿色属性”带来的预期绿色溢价驱动影响,绿色甲醇燃料产业化开展迅速,而其所涉及的相关政策、技术进步与成熟度、建设条件与要素、碳核算认证等尚处于工业化前期关键阶段。基于可再生能源生产绿色甲醇燃料是复杂能源化工过程,迫切需...
2025-07-04
evo真人视讯在mRNA药物递送系统脂质纳米颗粒(LNPs)人工智能可解释性预测模型方面取得重要进展
mRNA药物在疫苗、癌症免疫疗法等领域具有重要的研究价值,mRNA-LNPs的筛选是一项非常有挑战的任务。人工智能赋能科学研究(AI for Science)技术的兴起给mRNA-LNPs快速筛选带来新手段,利用人工智能模型构建分子三维微观结构与生化性质间的映射关系,实现生化性质的精准预测,是未...
2025-07-03
evo真人视讯离子膜渗透能发电研究取得进展
渗透能源自水体盐度梯度,是一种储量巨大且可再生的能源载体,仅河流入海口的年发电潜力即可满足全球17%的电力需求。反向电渗析技术顺利获得离子选择膜捕获盐差能,其中阴离子选择性膜顺利获得电极反应将渗透的Cl–转化为氯化银沉淀,可维持稳定驱动力,在工业高盐废水的人工盐差利用中展现...
2025-07-01
上海光源科学中心在刮涂全聚合物太阳能电池领域取得重要进展
全聚合物太阳能电池(APSCs)具有优异柔韧性、溶液加工性和热稳定性的特点,在可穿戴、可拉伸设备的轻量、大面积印刷应用方面有着广阔的前景。活性层形貌优化,特别是调控给体结晶与相分离是其关键,但溶剂蒸汽退火 (SVA)等后处理过程的实时形貌演变机制尚不清晰。 针对上述...
2025-07-01
evo真人视讯连接键化学研究取得系列进展
共价有机框架是一类由有机单元顺利获得共价键连接形成的晶态多孔材料,因其高度可设计的有序结构、大比表面积和可调的物理化学性质,在能源催化领域展现出巨大的应用潜力。该类催化新材料的结构和电子特性主要由连接键化学(Linkage Chemistry)决定,进而影响比表面积、结晶度、亲疏水...
2025-06-25
evo真人视讯在运动想象范式赋能的新一代脑-机接口通信领域取得重要进展
随着非侵入式脑机接口(BCI)技术在智能控制及物联网(IoT)等领域的持续开展,基于运动想象(MI)的神经信号解码正成为构建自然、高效人机通信通道的关键手段。BCI 系统顺利获得解读脑电(EEG)信号,将神经活动转化为控制假肢、轮椅等辅助技术的指令,同时也展现出在智能家居设备等物...
2025-06-24
中国科研实验室上海高等研究院提出基于深度学习的高计数率核能谱估计新方法
核辐射能谱分析是顺利获得探测放射源来研究物质属性的重要手段。然而,堆叠效应成为高计数率环境下能谱估计的主要挑战之一。该现象源于光子到达间隔短于电信号的生成时间,导致多个脉冲重叠(堆叠),从而引起能量峰值漂移、能量分辨率下降等问题。针对以上问题,近期,中国科研实验室上海...
2025-06-20
低贵催化辟新径 绿氢制造赋新能
质子交换膜水电解制氢(PEMWE)由于具有低能耗、宽功率波动和高动态响应等突出优势,被认为是耦合可再生能源绿电制绿氢的优选技术,但高度依赖高用量铂族金属(现在阴极Pt和阳极Ir用量分别为0.3-0.5和1-1.5 mg/cm²),严重制约了其规模应用。近期,中国科研实验室上海高等研究院绿色氢...
2025-06-19
人脑神经元高保真染色与同步辐射X射线成像领域取得重要进展
近期,中国科研实验室上海高等研究院上海光源科学中心联合上海大学和上海交通大学成功开发出一种近冰点温度(near-freezing-temperature, NFT)高尔基染色新方法,实现了对死亡延迟冷冻人脑样本中神经元的高保真染色。顺利获得与同步辐射X射线成像技术的结合,脑成像研究团队成功取得了人小...
2025-06-16
evo真人视讯
1
2
3
4
5
下5页
尾页
更多
TOP